PKM Design
Contents
1. Basic Design
2. Simulation
3. Components
4. Fabrication
4.1. Housing
4.2. Nut-Rotor-Joint
4.3. InnerJoint_lid
4.4. InnerJoint_axis
4.5. Base
4.5.1. 設計図
4.6. OuterJoint-Module
PKM Design
»
4.
Fabrication
»
4.5.
Base
View page source
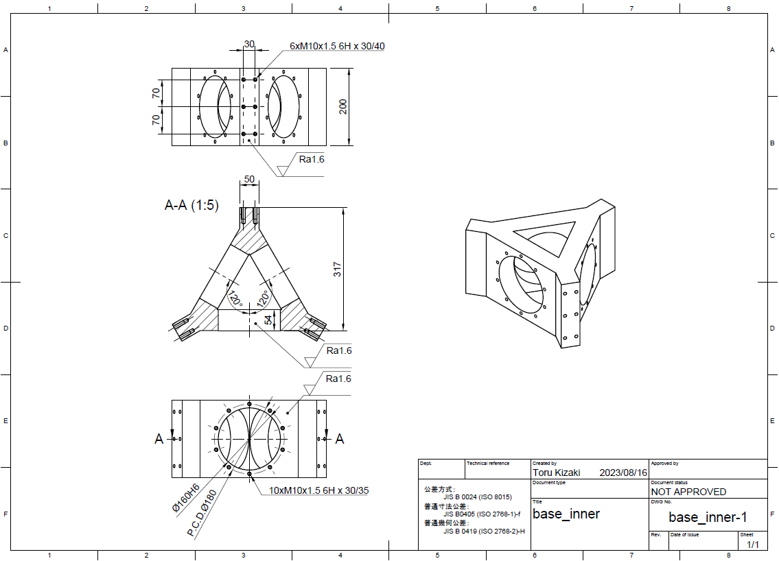
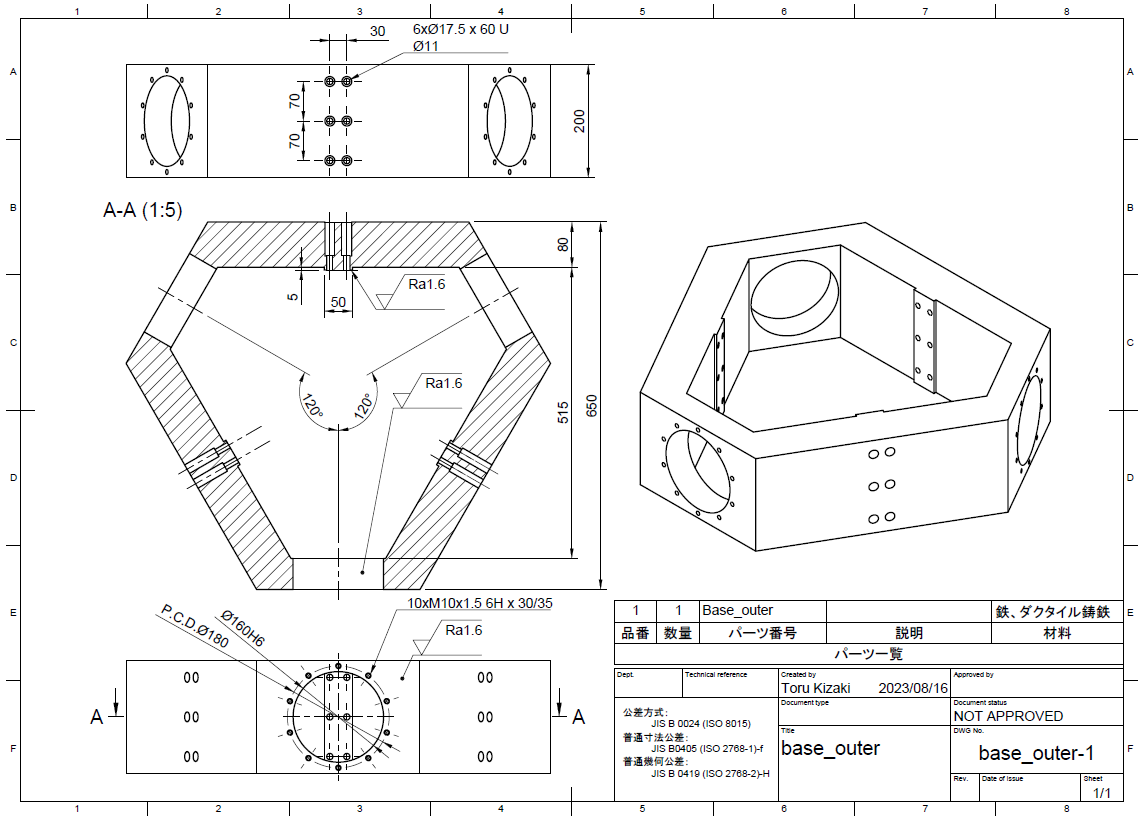
4.5.
Base
4.5.1.
設計図
base_inner
base_outer
製作は日之出水道株式会社に依頼.
2023/8/18に設計図を送付し,相談.