4.1. Housing

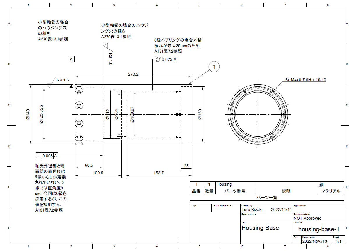
4.1.1. 設計図

../../_images/design.PNG

4.1.2. 2023/1月 試作評価

4.1.2.1. 加工

../../_images/fabrication_test_housing.png

Fabrication test of housing

4.1.2.2. 評価

../../_images/mitsutoyo_cmm_result.PNG

Measured results of the machined housing

測定の結果,ベアリングがはまる箇所(緑)のはめあい公差がJS7であることが分かった.