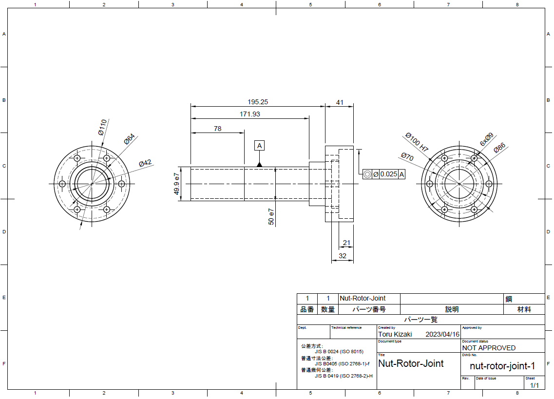
4.2. Nut-Rotor-Joint

4.2.1. 設計図

../../_images/nut_rotor_joint.PNG

4.2.2. 2023/5月 試作評価

4.2.2.1. 加工

../../_images/fabrication_nut_rotor_joint.jpg

Fabrication test of nut_rotor_joint

4.2.2.2. 評価

../../_images/measurement.jpg

Measurement of the machined nut_rotor_joint. 2023/5/9に実施.

計測箇所

Φ100 mmの箇所

Φ50 mmの箇所

計測1回目

100.0178 mm

49.9444 mm

計測2回目

100.0197 mm

49.9379 mm

計測3回目

100.0189 mm

49.9318 mm

  • 直径100 mm,深さ21 mmの円筒内面の公差はH7を指定.(0 ~ +46 μm)=> 計測結果よりH7を満足している.

  • 直径50 mmの円筒面の公差はe7を指定.(-90 μm ~ -60 μm)=> 計測結果よりe7を概ね満足している.計測1回目は4.4 μmだけ範囲から外れている.

  • Φ100 mmの箇所とΦ50 mmの箇所の同心度は5.3 μm => 図面の要求を満足している.