3.1. Ball Screw

2023/2/7(火)に発注済み.3月末納品.

3.1.1. 前提

納期の関係でできるだけNSKの標準品を採用する。NSKのカタログ(CAT. NO.3162n 2021 C-9)を参考にする。


3.1.2. 選定における検討事項

カタログのB17を参考に選定する。

3.1.2.1. 使用条件

荷重

4000 N (2Gで動作させた場合に各ねじ軸にかかる最大荷重)

速度

0.2 m/s (F20000で動かす場合)

ストローク

1000 mm

精度

高(C5)

希望寿命

3.1.2.2. 基本諸元

精度等級

C5 (NSKカタログB19)

ねじ軸外径

40 mm

リード

10 mm or 5 mm

ストローク

1000 mm

3.1.2.3. 標準ボールねじにあるか?

ベアリングを固定するためのロックナットのための”おねじ”を切ることなどを考慮すると,標準品をそのまま採用することはできない. 標準品を基にカスタマイズする.

3.1.2.4. 基本的な安全性の検討

  • 許容軸方向荷重
    • B44の図2.1からも10^5 N程度(座屈)

    • 引張圧縮応力はおそらく問題ないであろう

    • ボール接触部の永久変形 (68300/3 = 20000 N程度)

  • 許容回転数
    • B48の図3.1によると1000 rpm 弱

  • 寿命
    • 実験機のため重視しない

Note

許容回転数が小さい。早送りでは500 mm/min程度しかでないか。

3.1.2.5. 要求機能に応じた検討

  • 熱変位とリード精度

  • 剛性
  • 駆動トルク
    • 別途検討

  • 潤滑,防錆,防塵

  • 安全機構・組付けの考慮
    • ブレーキ


3.1.3. 選定結果(2023/1/20確定)

  • エンドデフレクタ式ナット
    • BSS4010-5E(B435)

      軸外径

      40 \(\rm{mm}\)

      リード

      10 \(\rm{mm}\)

      ボール径

      6.35 \(\rm{mm}\)

      ボールピッチ円径

      41.0 \(\rm{mm}\)

      ねじ軸谷径

      34.4 \(\rm{mm}\)

      有効巻き数

      5

      全長

      1400 \(\rm{mm}\)

      静定格荷重(C0a)

      130000 \(\rm{N}\)

      動定格荷重(Ca)

      58100 \(\rm{N}\)

      予圧荷重

      ? \(\rm{N}\)

      ナット型番

      BSS4010-5E (B499)

      ナット軸方向剛性

      924 \(\rm{N/\mu m}\)

../../_images/ballscrew_final_approved.PNG

採用するボールねじ図面最終版(2023/1/20)


3.1.4. NSKとの設計に関する主なやりとり

3.1.4.1. 2022/12/15

  • NSKからの質問1

    ナットフランジ タップ深さ18mm+非貫通のご要求に対し タップ深さ13mmであれば非貫通での対応可能ですが、変更可能でしょうか? 不可の場合、ナットフランジ厚さ22mmを27mmへ変更し18mmのタップ深さを確保致します。 (軸受設置部とは逆側へ延長想定)

  • 東大からの回答1

    タップ深さ13 mmで問題ありません。

  • NSKからの質問2

    ナット外径部、及びフランジ部の振れ精度について こちらは公差積み上げ検証などで確認された、必要公差でしょうか? 対応可能ですが、ご要求の背景をご教示いただければ幸いです。 ※外径部振れ  ご要求0.015 (弊社標準0.019) フランジ部振れ ご要求0.008 (弊社標準0.013)

  • 東大からの回答2

    指定した公差は必要公差です。ボールねじのカタログを元に決定しています。

  • NSKからの質問3

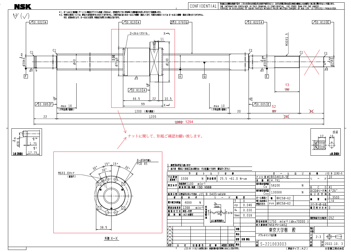
    ナットフランジ側にΦ70js6のご希望箇所がございますが 本箇所はシールを固定しているキャップ部品であり、寸法の変更などは困難となります。 DDモータ固定用のインローとしてご利用想定箇所かと思いますが ナット側でインローを形成するとなると、フランジ外径(現状Φ100※変更可)を ご利用頂きたい状況です。ご対応可能でしょうか? また、もし現時点の構造図が更新されておりましたら、ご開示頂けますと幸いでございます。

  • 東大からの回答3

    ハウジングの寸法を変更する。

  • NSKからの質問4

    ナット締結穴のPCDですが、改めてご要求寸法伺わせてください。 (参考図上Φ86としておりますが、改めてご確認させてください。)

  • 東大からの回答4

    PCDは86 mmです。

../../_images/ballscrew_3.PNG

NSKから質問時に提供の参考図面(2022/12/15)


3.1.4.2. 2022/11/11

  • 東大からの質問1

    ナット周りのベアリングの固定方法について、添付資料”質問事項20221111.pdf”の様に考えています。ベアリングの片側の外輪がフリーになっているのですが、このような固定方法で問題ないでしょうか。

  • NSKからの回答1

    もし上記の場合、緑色の部品(ハウジング)は組付け後,軸方向に動かない構造であれば図面上下方向から荷重を受けた際,上側下側の軸受を介し、ロックナットorハウジングでバックアップできる構造なので問題ないと思います。

../../_images/20221111_東大からの質問.PNG

ベアリングの固定方法について東大からの質問(2022/11/11)

  • 東大からの質問2

    寸法公差について整理しています。以下の表を参照しますと外輪と内輪はしまりばめが良いのではないかと考えています。これはロックナットで締めればしまりばめと同じになると考えてよろしいでしょうか?

  • NSKからの回答2

    ロックナットの締結トルクにより軸受は径方向に変位しますが,しまりばめとなるまでの変位を与えようとすると、各部の寸法設定次第とはなるかと思いますが,軸受内部の荷重もあがり、軸受の焼き付きなどが懸念になります。 そのため基準寸法からしまりばめの設定が良いのかと思っていますが,もし可能であれば複数の寸法設定のハウジングを作成し、作動性、組付け性、クリープ有無など確認できれば良いのかと考えております。 また組立方法、順序はどのようにお考えでしょうか?組立性にも影響があるかと思っています。

../../_images/20221111_荷重の性質とはめあい.png

寸法公差について東大からの質問(2022/11/11)

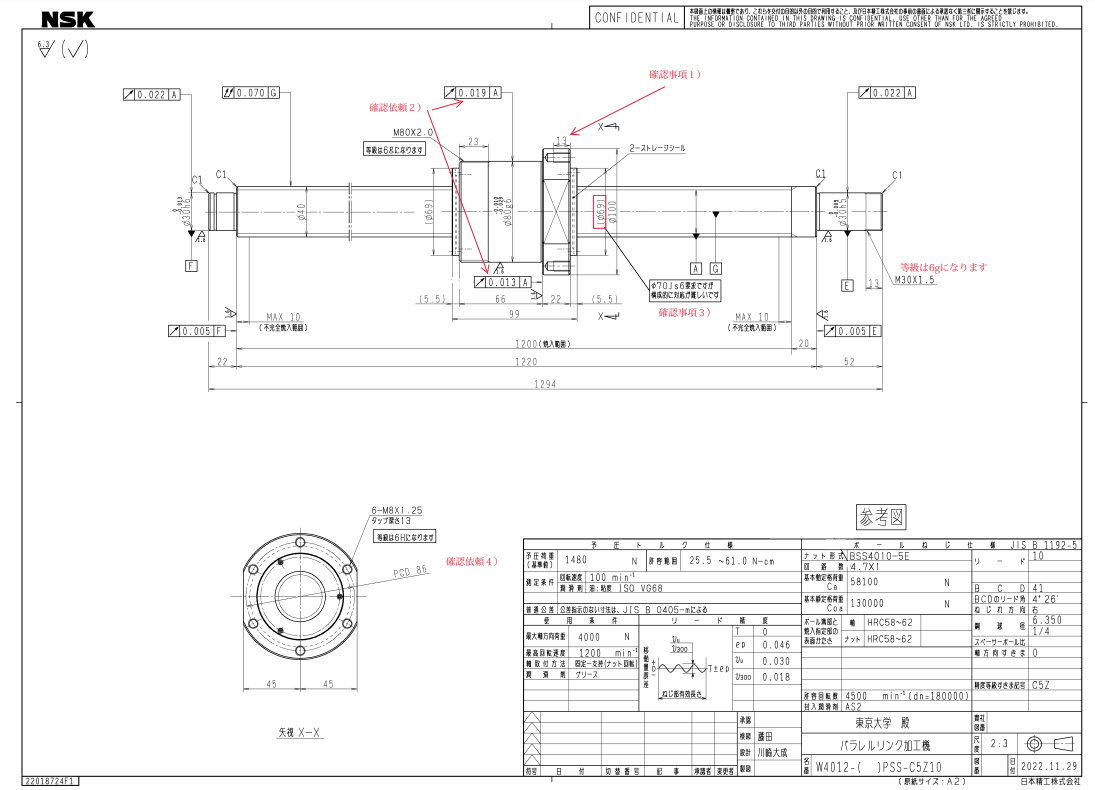
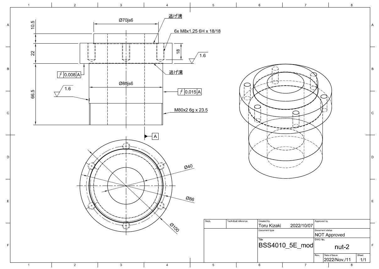
  • 東大からの質問3

    ナットに関しまして、添付の通り図面を作成致しました。 以前に頂いた図面も参考にし,採用するアンギュラ軸受の精度を鑑みて、幾何公差やはめあいを検討しました。 このような値でも加工頂けるか、または工数が余計にかかってしまってよくない、などご意見を頂けると幸いです。

  • NSKからの回答3

    図面作成ありがとうございます。基本的にネックとなる工程はないと考えておりますが,設計確認しておりますので、追加で確認致します。

../../_images/20221111_東大から送付のナット図面.PNG

東大から送付のナット図面(2022/11/11)


3.1.4.3. 2022/10/11

  • NSKからの確認事項1
    • 軸の形状は、上記軸図の内容で問題ございませんでしょうか?

  • 東大からの回答1
    • (回答し忘れ)

../../_images/20221011_NSKからの軸図.PNG

NSKから送付の軸図(2022/10/11)

  • NSKからの確認事項2
    • フランジのM8タップは貫通として宜しいでしょうか?

  • 東大からの回答2
    • フランジ面にベアリングの内輪が直当たりするため,もし可能であれば貫通させない形にして頂ければと思います.加工方向の制約から難しそうでしょうか?

  • NSKからの確認事項3
    • 上記M8タップのPCDはPCD 90にて検討進めます。ご希望のPCDがあれば、ご連絡お願いいたします。

  • 東大からの回答3
    • PCDの記載が漏れており申し訳ございません.貫通させる場合はまた異なりますが,PCDは現在85 mmとさせて頂いています.

  • NSKからの確認事項4
    • ナット構造上シールキャップが存在する為、三角ねじ形成長さが短くなってしまいます。そのためナット長さを延長し対応したいと思いますがご確認お願いいたします。

  • 東大からの回答4
    • こちら確認いたしました.問題ございません.

  • 東大から追加依頼
    • ナット外周部は記載頂いた通り,Φ80, g6でお願いいたします.

../../_images/20221011_NSKからのナット図.PNG

NSKから送付のナット図(2022/10/11)


3.1.4.4. 2022/10/3

  • NSKとの打合せ
    • 剛性を高く保つために、構成部品を最少化する設計。

    • ボールねじの軸方向剛性は650N/μm以上を想定。

    • ユニット外径もなるべく小さく設計。(軸受サイズ制約、周辺部品(モータなど)と干渉回避、装置重量増の為)ナットの外径はΦ80を仮値として設計中で、ナット外周面へ軸受、ロックナットを設置がご希望。

    • その他ご要求条件
      • 軸方向荷重 4000N(2G想定)、最高回転数1000~2000rpm想定、加工時回転数 100~200rpm

      • 軸径φ40、リード10mm or 5mm、精度C5、ストローク1000mm、全長1400mm程度、寿命は未定➡上記を受けて、NSKより新規ボールねじを提案。BSS4010-5Eを基本として

      • ナット外周面へ軸受、ロックナット締結部追加。肉厚を増加させて対応想定。

      • 軸心冷却用中空穴も今後必要となる可能性あり。

      • 今後継続して詳細仕様の検討を進める。

      • 納期は23年3月想定。6本。

    • ロックナット

      ロックナットカタログ 日本機械部品で購入可能

../../_images/20221003_questions_from_NSK.PNG

NSKから提案の図面withコメント(赤字).東大からの回答追記(青字)(2022/10/3)


3.1.4.5. 2022/9/21

  • 東大からの質問1

    ハイスピードSS型が良さそうだが,ねじ軸が少し短い、”HSS4010N1D1450”ですと納期はどの程度でしょうか?

  • NSKからの回答1
    • HSS4010N1D1450ですが、現在在庫なしの為概算で3か月程度はお時間頂く状況かと存じます。(現状 HSS4010N1D2100とHSS4010N1D2900のみ5本ずつ在庫あり。)

    • 先日のお電話で会話致しました、貴学でのおねじ加工について先述した理由の他、HSSではナット肉厚2.5mmの箇所が存在するため,加工時に欠け、貫通等が想定されることが判明しました。添付資料参照下さい。また、HSS型をそのまま利用することになるとナット外径の公差範囲が40mmと狭く、軸受設置にも制約がでるかと考えられます。検討漏れがあり、大変申し訳ございません。上述理由からも、標準品ナットへのおねじ形成は困難かと存じますので何卒ご検討頂けます様、よろしくお願いいたします。※W4014SS-2D-C5Z10であれば肉厚が薄い箇所はございませんが焼き入れ後の加工、及び断続切削となりえるため、弊社での対応は不可との状況です。堂々巡りで大変申し訳ございませんが、ナット外径へのおねじ形成という案で進める場合①ナット肉厚確保(外径UP)②焼き入れ前加工③断続切削なき形状という点を押さえ、特注品での対応を推奨させてください。


3.1.4.6. 2022/9/20

  • 東大からの質問1

    標準品”W4013SA-1Z-C5Z10”(軸端完成品), “W4014SS-2D-C5Z10”(軸端未完成品), “W4010SS-1Z-C5Z5”(カタログB337ページ)が適しているのでは?

  • NSKからの回答1

    1)標準品選定について

    <選定条件>

    最大軸方向荷重 10,000N

    最高回転数 334rpm(20,000mm/min)

    軸径 φ40

    リード 5mm or 10mm

    ストローク長さ1m以上

    予圧品

    標準在庫品をまずは優先

    <選定結果>

    1)W4014SS-2D-C5Z10(軸端未完成品) ・・・貴校選定品

    概算納期:3か月程度

    2)HSS4010N1D2100(軸端未加工品)・・・新規選定品

    概算納期:現状在庫5本あり。即納可能です。 (全長違いで950mm、1450mmもございますが現在在庫なし) ※事前にご検討頂きました以下2仕様については、最大軸方向荷重を考慮した際の耐荷重性の観点から推奨いたしかねる結果でございます。

    W4013SA-1Z-C5Z10(軸端完成品)

    W4010SS-1Z-C5Z5

    また標準在庫品ではないため(カタログ上〇がついているものが在庫品) 納期は概算で3か月以上かかってしまう可能性がございます。


3.1.4.7. 2022/9/18

  • 東大からの質問1

    ナットにロックナットをつける必要がありますが、そのためにはナット表面に”おねじ”を作成する必要があると思います。そのような加工は可能でしょうか?

  • NSKからの回答1

    標準品への加工可否を確認致しましたが、対応困難との見解でございます。困難な理由としましては、ナット循環部品設置部までねじ切りが必要となる場合 断続切削の加工となりえること、またナット円筒部にはシールを固定用の穴があいておりその箇所から熱処理がなされているため、熱処理後の箇所への加工が困難と想定される為でございます。 新規製作品への対応は上記2条件に留意すれば可能なのですが、標準品への加工に対しては上記見解となります為、何卒ご容赦の程お願いいたします。

    代案と致しまして、ナット外径面へ軸受内径に合わせた円筒形状のカラーの様な治具を挿入し その治具自体におねじ形成をするという案では如何でしょうか?

    ../../_images/Screwonnut.png

    ナットへのおねじ形成に関するポンチ絵(NSKより,2022/9/21)


3.1.4.8. 2022/6/30

  • 東大からの質問1

    ”ナット回転駆動用ボールねじ/ナットと軸受を一体とした構造”を採用する場合,予圧はどのようにかけるか?やはり予圧抜けが発生してしまうのでは?

  • NSKからの回答1

    ../../_images/20220705_東大質問に対するNSKからの回答_一体型の与圧について.PNG

    NSKからの回答(2022/7/5)


3.1.4.9. 2022/6/23

../../_images/20220623_東大質問事項へのNSKからの回答.PNG

東大から提供の図面に対するNSKからのコメントおよび質問(2022/6/23)

  • NSKからのコメント1

    ナット回転駆動用ボールねじ/ナットと軸受を一体とした構造

  • 東大からの回答1

    ご提案頂いた通り,設計製造をご検討頂けると大変ありがたく思います.

  • NSKからのコメント2

    最新の要求条件

  • 東大からの回答2

    軸方向剛性を可能な限り高く撮っていただきたく思います.(軸方向剛性はどの程度になるでしょうか?) 軸方向荷重:最大10000 N (一本あたり) 回転速度:最大2000 回転 直径:40 mm リード:10 mm

  • NSKからの追加質問3

    現構造図において,回転物と固定物の接続(固定)はナット外周軸受けのみで接続を想定?

  • 東大からの回答3

    はい,おっしゃる通り,ナット外周軸受けのみで接続を想定しています.ここの剛性をできるだけ高めたいと考えております.

  • NSKからの追加質問4

    DDモータとボールねじナットの締結物はどのような構造を想定しているか?

  • 東大からの回答4

    6つの六角穴付きボルトで締結することを想定していました.

  • NSKからのコメント5

    おっしゃる通りDDモータ- ボールねじナットを挟み込むようにベアリングを配置すれば偏心によるこじれが抑制される.

  • 東大からの回答5

    そのような構造を考えたいと思っております.一方で,できるだけジョイントモジュールは小さくしたく,短くできないかと考えてもいます.

  • NSKからのコメント6

    提案頂いたボールねじはオフセット予圧仕様のため,軸受内輪を押さえるロックナットの締結によりナットが伸び,予圧抜けと予圧増大が懸念される.

    ../../_images/予圧のかけ方について.PNG

    予圧に関する参考資料

  • 東大からの回答6

    了解いたしました.ご提案のように一体で製造頂ければこの問題は解決するのでしょうか?

  • NSKからのコメント7

    軸方向の荷重をうけるため,外輪を押さえる構造が必要.

  • 東大からの回答7

    承知しました.ハウジングにねじを切って,ロックナットで押さえるというイメージでしょうか.

  • NSKからのコメント8

    アンギュラ軸受SUタイプ(万能組み合わせ)を推奨します.

  • 東大からの回答8

    承知しました.そのようにしたいと思います.

3.1.5. その他

Note

その他に検討した型番
  • 軸端完成品
    • W4013SA-1Z-C5Z10(B259) -> 静定格荷重が小さい

      リード

      10 mm

      静定格荷重(C0a)

      68300 N

      ナット軸方向剛性

      751 N/um(B457)

  • 軸端未加工品
    • W4014SS-2D-C5Z10(B343) -> 納期3か月

      リード

      10 mm

      静定格荷重(C0a)

      137000 N

      ナット軸方向剛性

      1454 N/um(B457)

    • W4010SS-1Z-C5Z5(B337) -> 静定格荷重が小さい

      リード

      5 mm

      静定格荷重(C0a)

      70500 N

      ナット軸方向剛性

      1344 N/um (B455)

  • ハイスピードSS型
    • HSS4010N1D2100(B151)

      軸外径

      40 \(\rm{mm}\)

      リード

      10 \(\rm{mm}\)

      ボール径

      6.35 \(\rm{mm}\)

      ボールピッチ円径

      41.0 \(\rm{mm}\)

      ねじ軸谷径

      34.4 \(\rm{mm}\)

      有効巻き数

      2.5x2

      全長

      2100 \(\rm{mm}\)

      静定格荷重(C0a)

      137000 \(\rm{N}\)

      動定格荷重(Ca)

      61200 \(\rm{N}\)

      予圧荷重

      2600 \(\rm{N}\)

      ナット型番

      ZFRC4010-10 (B499)

      ナット軸方向剛性

      1154 \(\rm{N/\mu m}\)

      動摩擦トルク基準値

      0.745 \(\rm{Nm}\)